Мы используем cookie для наилучшего представления нашего сайта. Подробнее об этом в Политике конфиденциальности.
Ок

Сочи

Ваш город:
Сочи (Краснодарский край)?
Нет
Да
Каталог
Каталог Написать в WhatsApp
Мотоэкипировка

Дистанционное управление 4000, боковое крепление 4-Х ТАКТНОГО ПЛМ MERCURY 4 Серийный номер от 0P401000 и выше

Дистанционное управление 4000, боковое крепление 4-Х ТАКТНОГО ПЛМ MERCURY 4 Серийный номер от 0P401000 и выше в Краснодаре: актуальный каталог, цены, фото, описание. Купите дистанционное управление 4000, боковое крепление 4-х тактного плм mercury 4 серийный номер от 0p401000 и выше в кредит – оформите заявку онлайн за 1 минуту!

Оригинальные запчасти

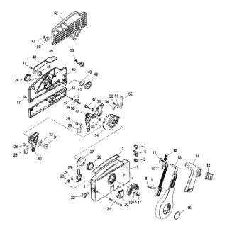
Артикул НАИМЕНОВАНИЕ Кол-во деталей в узле Примечание Наличие Цена Аналоги Фото
1 881170A8 Машинка газа/реверса (REMOTE CONTROL)

Под заказ

1

Под заказ

уточнить

Купить
2 17192 Заглшка (PLUG, Stop Switch Hole)

Под заказ

1

Под заказ

уточнить

Купить
3 17191 Заглушка (PLUG)

Под заказ

1

Под заказ

уточнить

Купить
4 16921 BRACKET, Lock Bar Support

Под заказ

1

Под заказ

уточнить

Купить
5 87775510 Болт (SCREW, (M4 x 10))

Под заказ

1

Под заказ

уточнить

Купить
6 881138 Курок машинки г/р (LOCK BAR)

Под заказ

1

Под заказ

уточнить

Купить
7 16924 Пружина (SPRING)

Под заказ

1

Под заказ

уточнить

Купить
8 881148T04 Рычаг (HANDLE KT-NONTRIM)

Под заказ

1

Под заказ

уточнить

Купить
9 8811411 Рукоятка (GRIP)

Под заказ

1

Под заказ

уточнить

Купить
10 881146 Заглушка (PLUG)

Под заказ

1

Под заказ

уточнить

Купить
11 881137A1 Заглушка рукоятки машинки г/р (CAP/DECAL ASSEMBLY)

Под заказ

1

Под заказ

уточнить

Купить
12 40118107 SCREW, (M5 x 18)

Под заказ

7

Под заказ

уточнить

Купить
13 16899T Фиксатор рукоятки (HOLDER)

Под заказ

1

Под заказ

уточнить

Купить
14 16917 COVER

Под заказ

1

Под заказ

уточнить

Купить
15 40116110T SCREW

Под заказ

3

Под заказ

уточнить

Купить
16 881145 KNOB, Throttle Friction

Под заказ

1

Под заказ

уточнить

Купить
17 16896 WASHER

Под заказ

1

Под заказ

уточнить

Купить
18 16895 ARM ASSEMBLY, Brake

Под заказ

1

Под заказ

уточнить

Купить
19 16874 Шайба (WASHER)

Под заказ

1

Под заказ

уточнить

Купить
20 401385 Гайка (NUT-M5 HEX, NYL I)

Под заказ

2

Под заказ

уточнить

Купить
21 16868 Подшипник (BEARING .750 Inside Diameter (.750 ID))

Под заказ

1

Под заказ

уточнить

Купить
22 16870 Шайба (WASHER)

Под заказ

1

Под заказ

уточнить

Купить
23 16873 ROLLER, Cam

Под заказ

1

Под заказ

уточнить

Купить
24 12038* Рюкзак "Витим 90"

Под заказ

1

Под заказ

уточнить

Купить
25 4007154 Болт (SCREW, M8 x 30)

Под заказ

1

Под заказ

уточнить

Купить
26 16886 CLIP

Под заказ

1

Под заказ

уточнить

Купить
27 16888 SPRING

Под заказ

1

Под заказ

уточнить

Купить
28 16884 ROLLER

Под заказ

1

Под заказ

уточнить

Купить
29 16883 DRUM ASSEMBLY

Под заказ

1

Под заказ

уточнить

Купить
30 16922 WAVE WASHER

Под заказ

1

Под заказ

уточнить

Купить
31 16887 BEARING, (.810 Inside Diameter) (.810 ID)

Под заказ

1

Под заказ

уточнить

Купить
32 16919A1 LEVER ASSEMBLY

Под заказ

1

Под заказ

уточнить

Купить
33 35280 WASHER, BASE SCREW (1 O.D.)

Под заказ

3

Под заказ

уточнить

Купить
34 401196 Гайка (NUT, (M6))

Под заказ

3

Под заказ

уточнить

Купить
35 17063T Шайба (SPACER)

Под заказ

1

Под заказ

уточнить

Купить
36 71942 BUSHING

Под заказ

1

Под заказ

уточнить

Купить
37 16879 ROLLER, Detent

Под заказ

1

Под заказ

уточнить

Купить
38 16880 CLIP, Detent

Под заказ

1

Под заказ

уточнить

Купить
39 16882 SPRING, Detent

Под заказ

5

Под заказ

уточнить

Купить

Нулевая цена не означает отсутствие товара. Оформите заказ, и менеджер сообщит вам цену и наличие товара, предварительно запросив их у поставщика

Главная Магазины
Корзина0
Профиль